Łańcuch z ostrym wierzchołkiem do użytku w wilgotnym i zapylonym środowisku

Ostry łańcuch zębaty jest rodzajem łańcucha przekładniowego, jego struktura charakteryzuje się szeregiem płytek łańcucha zębatego i płytki prowadzącej montowanych naprzemiennie, a poprzez sworzeń lub kombinację elementów przegubowych połączonych w celu utworzenia, sąsiedni skok jest połączony zawiasowo.

Opis

Łańcuch zębaty, sklasyfikowany według typu prowadzenia, obejmuje zewnętrzny łańcuch zębaty prowadzący, wewnętrzny łańcuch zębaty prowadzący i podwójny wewnętrzny łańcuch zębaty prowadzący. Ta przekładnia łańcuchowa wykorzystuje precyzyjne zazębienie zębów łańcucha i koła łańcuchowego do przenoszenia mocy i ruchu, zapewniając dokładne średnie przełożenie.

Zalety

  • Wysoka moc przekładni i duża odporność na przeciążenia
  • Kompaktowy rozmiar przekładni dla tych samych warunków pracy
  • Wymaga mniejszej siły naciągu
  • Działa niezawodnie w trudnych warunkach, w tym w wysokiej temperaturze, wilgotności, zapyleniu i zanieczyszczeniu.

Wady

  • Wyższy koszt w porównaniu do innych typów łańcuchów
  • Podatność na zużycie i wydłużenie
  • Słaba płynność transmisji, z dodatkowym obciążeniem dynamicznym, wibracjami, wstrząsami i hałasem podczas pracy
  • Nie nadają się do zastosowań wymagających szybkiej zmiany kierunku obrotów

Podsumowując, łańcuchy klinowe są idealne do zastosowań wymagających przenoszenia dużej mocy w wymagających środowiskach, ale mogą nie być odpowiednie do zadań wymagających częstych szybkich zmian kierunku lub minimalnego hałasu i wibracji.

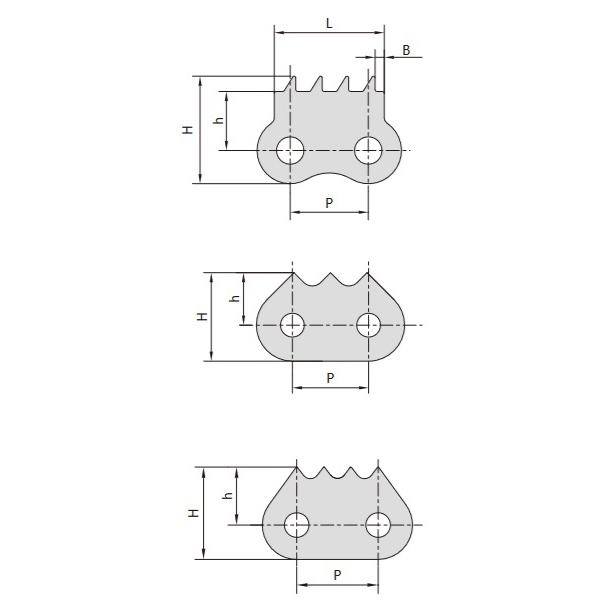
Parametry techniczne

tabela techniczna ostrego łańcucha górnego

stół techniczny sharp top chain